DEHNbox

Combined lightning current and surge arrester
  • Capable of carrying lightning currents up to 10 kA (10/350 µs)
  • Low voltage protection level, capable of protecting terminal equipment
  • For installation in conformity with the lightning protection zone concept at the boundaries from 0A – 2 and higher
Easy to use
  • Suitable for wall mounting
  • Fast and easy installation due to spring-loaded terminals
  • Easy retrofitting of surge protection
Safe installation and operation (DBX TC B 180)
  • Status indication for easy maintenance
  • RJ45 connection possibility for plug & play
  • Universal use up to 1 Gbit

Details

Push-in terminals for fast connection without tools (DBX TC B 180)
lorem ipsum
Side-by-side mounting of several devices thanks to slide-in dovetail connections on the enclosures (DBX TC B 180).
lorem ipsum
Visual status display (DBX TC B 180).
lorem ipsum
RJ45 socket at the output for direct connection to the router (DBX TC B 180).
lorem ipsum

Further information

Similar topics


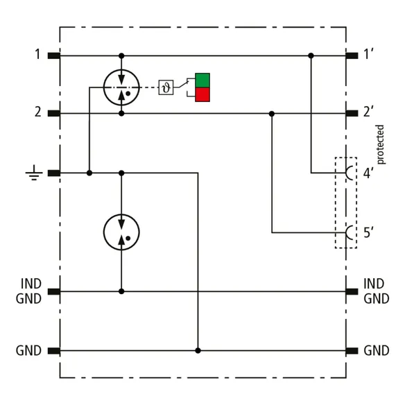
DBX TC B 180

Space-saving, compact surge arrester in a surface-mounted plastic enclosure with push-in connection technology and status indication for protecting one pair of unearthed balanced interfaces, particularly telecommunication interfaces up to VVDSL and G.fast (up to 1 Gbit/s). Direct / indirect shield earthing possible. Connection of a pair or a patch cable with RJ45 plug at the output.

Tests by Deutsche Telekom Technik GmbH confirm compatibility with vectoring VDSL (VVDSL), super vectoring VDSL (SVVDSL) and G.Fast.

1 Product

Part No. 922220 DBX TC B 180

GTIN 4013364433953, Customs tariff No. (EU): 85363030, Gross weight: 93.63 g, PU: 1.00 pc(s)

Predecessor

Images

Additional information

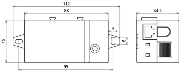
Compact DEHNbox DBX TC 180 lightning current arrester
Compact arrester can be connected in series
SPD class: type 1/P2
For protecting one pair of
telecommunication interfaces
For fast connection without tools
Integrated strain relief and status indication
Nominal current at 40°C: 1 A
D1 Total lightning impulse current (10/350 µs): 7.5 kA
C2 Total nominal discharge current (8/20 µs): 20 kA

Brand: DEHN
Type: DBX TC B 180
Part No.: 922220
or equivalent.

Certificates

 

Technical data

SPD class L
Max. continuous operating voltage (d.c.) (UC ) 180 V
Nominal current at 40°C (IL ) 1 A
D1 Total lightning impulse current (10/350 µs) ( Iimp ) 7.5 kA
C2 Total nominal discharge current (8/20 µs) ( In ) 20 kA
Series resistance per line 0 ohms
Cut-off frequency line-line (100 ohms) (fG ) 425 MHz

Product 922220 was added to Notepad.

Product 922220 was added to the cart.


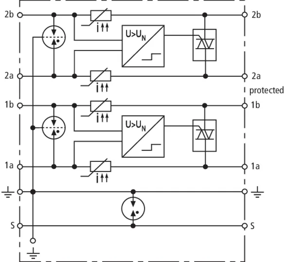
DBX U4 KT BD S 0-180

Compact combined lightning current and surge arrester in a surface-mounted plastic enclosure with actiVsense technology for protecting two pairs with the same or a different signal voltage of galvanically isolated balanced interfaces. Direct or indirect shield earthing.

1 Product

Part No. 922400 DBX U4 KT BD S 0-180

GTIN 4013364137349, Customs tariff No. (EU): 85363010, Gross weight: 251.70 g, PU: 1.00 pc(s)


Images

Additional information

Compact DEHNbox DBX U4 KT BD S 0-180 combined arrester
Universal type 1/P1 lightning current and surge
arrester with actiVsense technology
for automatic detection of the operating voltage
and optimal adaptation of the voltage protection
level; tested to EN 61643-21 and energy-coordinated
according to IEC 61643-22 for protecting two pair
for galvanically isolated balanced interfaces,
optional direct or indirect shield earthing
Operating voltage: UN: 0-180 V
Permissible superimposed signal voltage: ≤ +/- 5 V
Nominal current (equals max. short-circuit current): 100 mA
D1 Total lightning impulse current (10/350 µs): 10 kA
C2 Total nominal discharge current (8/20 µs): 20 kA

Brand: DEHN
Type: DBX U4 KT BD S 0-180
Part No.: 922400
or equivalent.

Certificates

 

Technical data

SPD class M
Max. continuous operating voltage (d.c.) (UC ) 180 V
Permissible superimposed signal voltage (Usignal ) ≤ +/- 5 V
Cut-off frequency line-line (Usignal, balanced 100 ohms) (fG ) 50 MHz
Nominal current (equals max. short-circuit current) (IL ) 100 mA
D1 Total lightning impulse current (10/350 µs) ( Iimp ) 10 kA
C2 Total nominal discharge current (8/20 µs) ( In ) 20 kA
Series resistance per line ≤ 9 ohms; typically 7.9 ohms
Dimensions (L x W x H) 93 x 93 x 55 mm

Product 922400 was added to Notepad.

Product 922400 was added to the cart.


back to top