DEHNguard SE CI with integrated backup fuse

  • Arrester backup fuse integrated in the protection module
  • For use in case of higher rated voltages
  • Energy coordination with other arresters of the Red/Line product family
  • High discharge capacity
  • High reliability due to "Thermo Dynamic Control" SPD device monitoring
  • Easy replacement of protection modules without tools due to module locking system with module release button
  • Vibration and shock-tested according to EN 60068-2

DEHNguard SE CI 440 FM

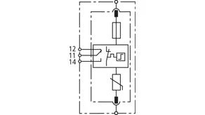
Pluggable single-pole surge arrester comprising a base part and a plug-in protection module; with integrated backup fuse and remote signalling contact for monitoring unit (floating changeover contact).

1 Product

Part No. 952920 DG SE CI 440 FM

GTIN 4013364322622, Customs tariff No. (EU): 85363030, Gross weight: 178.00 g, PU: 1.00 pc(s)


Images

Additional information

DEHNguard SE CI 440 FM surge arrester
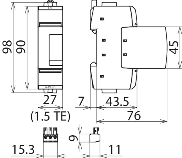
with integrated backup fuse, width of 1.5 modules
With remote signalling contact
Tyep 2 SPD according to EN 61643-11
Mech. fault indication for the arrester and integrated backup fuse
Max. continuous operating voltage: 440 V a.c.
Voltage protection level: <= 2 kV
Nominal discharge current: 12.5 kA
No additional backup fuse required in installations up to a
max. short-circuit current of 25 kArms
Energy coordination according to DIN EN 62305-4
Arrester of the Red/Line series

Brand: DEHN
Type: DG SE CI 440 FM
Part No.: 952920
or equivalent.

Certificates

 

Circuit Interruption

The backup fuse is already integrated here. This means: reduced space requirement, lower installation costs, faster wiring, and shorter connecting cables. This concept can be found in the product ranges DEHNvenCI, DEHNbloc Maxi S, DEHNguard ... CI and V(A) NH...

Technical data

SPD according to EN 61643-11 / IEC 61643-11 type 2 / class II
Max. continuous operating voltage (a.c.) (UC ) 440 V (50 / 60 Hz)
Nominal discharge current (8/20 µs) (In ) 12.5 kA
Voltage protection level (UP ) ≤ 2 kV
Max. mains-side overcurrent protection not required
Type of remote signalling contact changeover contact

Product 952920 was added to Notepad.

Product 952920 was added to the cart.


DEHNguard SE CI WE 440 FM

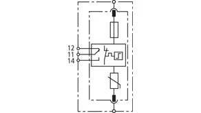
Pluggable single-pole surge arrester with a rated varistor voltage Umov = 750 V a.c.; comprising a base part and a plug-in protection module; with integrated backup fuse and remote signalling contact for monitoring unit (floating changeover contact).

1 Product

Part No. 952923 DG SE CI WE 440 FM

GTIN 4013364322639, Customs tariff No. (EU): 85363030, Gross weight: 184.00 g, PU: 1.00 pc(s)


Images

Additional information

DEHNguard SE CI WE 440 FM surge arrester
Modular and pluggable single-pole surge arrester
with integrated backup fuse, width of 1.5 modules
With remote signalling contact
Tyep 2 SPD according to EN 61643-11
Mech. fault indication for the arrester and integrated backup fuse
Max. continuous operating voltage: 440 V a.c.
Rated varistor voltage: 750 V a.c.
Voltage protection level: <= 3 kV
Nominal discharge current: 12.5 kA
No additional backup fuse required in installations up to a
max. short-circuit current of 25 kArms
Energy coordination according to DIN EN 62305-4
Arrester of the Red/Line series

Brand: DEHN
Type: DG SE CI WE 440 FM
Part No.: 952923
or equivalent.

Certificates

 

Circuit Interruption

The backup fuse is already integrated here. This means: reduced space requirement, lower installation costs, faster wiring, and shorter connecting cables. This concept can be found in the product ranges DEHNvenCI, DEHNbloc Maxi S, DEHNguard ... CI and V(A) NH...

Technical data

SPD according to EN 61643-11 / IEC 61643-11 type 2 / class II
Max. continuous operating voltage (a.c.) (UC ) 440 V (50 / 60 Hz)
Rated varistor voltage (a.c.) (Umov ) 750 V
Nominal discharge current (8/20 µs) (In ) 12.5 kA
Voltage protection level (UP ) ≤ 3 kV
Max. mains-side overcurrent protection not required
Type of remote signalling contact changeover contact

Product 952923 was added to Notepad.

Product 952923 was added to the cart.


back to top